12.5mm Grade 2 Anchor Chain
Grade : U2
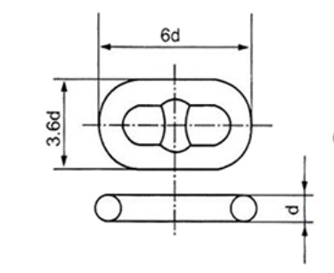
Chain Diamter : 12.5mm
Material : CM490
Proof Test Load: 66KN
Breaking Test Load: 92KN
Certificate : CCS,ABS,DNV,BV,LR,NK,KR,etc
Finishing : Hot-Dip Galvanized or Black Paint (Asphalt)
Overview
Describe:
The fundamental role of this chain is to ensure secure anchorage. It transmits the holding force from the anchor to the ship's structure. Its weight contributes significantly to the catenary effect—the sagging curve of the chain on the seabed. This curve acts as a shock absorber, cushioning the vessel from jerks caused by wind, waves, and currents, thereby providing a stable and reliable hold.
This diameter indicates a small-size chain suitable for a range of small -sized vessels. Common applications include:
Small commercial craft (e.g., tugboats, fishing vessels, supply boats).
Pleasure yachts and larger recreational sailboats.
Workboats and patrol vessels.
Drawing:
Specifications :
Diameter | U2 | APPROX. | |
U2 STUD LINK CHAIN | WEIGHT | ||
PROOF LOAD | BREAKING LOAD | 27.5M | |
MM | KN | KN | KG |
12.5 | 66 | 92 | 98 |
